SchriftGRÖSSE:
31.10.2025
Datum:

News

25.09.25

FAQ überarbeitet

FAQ überarbeitet

25.10.24

App für Garmingeräte

Der Entwickler Verkehrsrot hat schon seit geraumer...

03.03.24

Lieferzeiten

aktuell benötigen wir etwa 2-3 Monate Lieferzeit n...

Nach oben

Nach oben

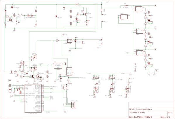
Schaltplan

Schaltplan

Nach oben

Download

Dateiname Info Geändert
ForumsladerV3.1a_Schaltplan.jpg 1 MB 31.01.2017 10:24

Nach oben